![图片[1]-智能化设计绘图系统-InteCAD 锅炉版-卡核](http://www.caxkernel.com/wp-content/uploads/2023/04/20230420155337-64416001878be.png)
InteCAD锅炉版是天喻软件为锅炉结构工程师量身定制的专用辅助设计软件,在InteCAD基础上增加开发了锅炉设计中的管道、型材、表格处理等专用工具,它能快速、准确、自动完成锅炉结构设计工程图及相应报表,是锅炉行业结构工程师必备工具。
主要功能特点:
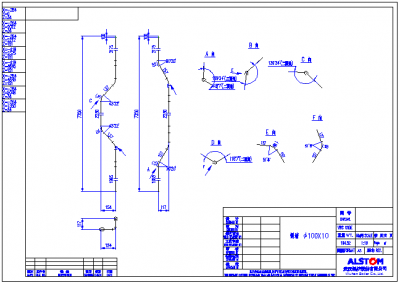
一、管道出图
根据管道顶点坐标系统即可生成管道工程图及二面角,并自动打断和标注。
• 自动智能投影
• 自动二面角标注
• 自动总长总宽标注
• 自动重心标注
• 自动管道打断
• 自动三维坐标标注
• 自动生成图框标题栏
二、型材设计:
快速绘制各种型材及复合型材的投影及断面图,并能对生成的型材视图进行方便的修改调整。
• 方便快捷的绘制
• 具有良好的扩展性
• 方便的视图拉伸
三、锅炉辅助结构设计工具:
用户只要输入相应参数可交互画出平台、栏杆、扶梯、托架等结构。
四、 表格转换:
实现各种表格在CAD与Excel双向转换。
• 表格自由,不受排版限制
• CAD与Excel高效的导入导出
天喻软件股份有限公司是专业的计算机辅助设计软件的服务提供商,天喻软件的Inte系列产品不仅能满足通用的设计绘图要求,还为用户提供专用设计工具的开发,使设计更快更好。
© 版权声明
文章版权归作者所有,未经允许请勿转载。
THE END

















