制造商:上海概伦电子股份有限公司
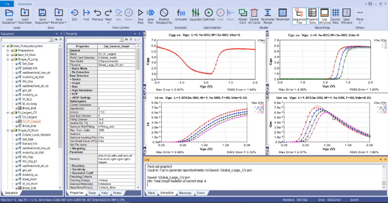
SDEP 即(Spec-Driven Model Extraction Platform)是一款智能半导体器件模型全自动提取平台。旨在充分利用现代计算机日益强大的算力及优化算法结合并传承器件模型提取经验和知识 Know-how 所建立的智能建模系统。
SDEP 集成了数据分析和验证、模型参数自动提取优化功能,支持多种复杂先进的优化算法、参数过滤、模型验证和收敛控制等能力。
在 SDEP 的平台上,模型专家可以借助强大而灵活的各功能模块,根据建模经验逐步定制模型参数提取流程进而建立一整套全自动建模流程解决方案。


产品优势
以应用目标为导向依靠智能算法实现模型自动提取
支持个性化定制和优化自动提取流程
图形化交互界面可灵活编辑、调用各功能模块实现特定提取目标
支持智能选择理想算法满足模型更全面的拟合规格
支持实时规格匹配情况检查与内部验证
支持模型参数趋势控制、灵敏度分析、参数平滑处理等功能
支持全局、局部参数优化
支持智能而弹性的器件尺寸、偏压自动选取功能
© 版权声明
文章版权归作者所有,未经允许请勿转载。
THE END













